About Us
Company Profile
Group Members
Company Location
Products
Antenna
Switch
Cable
RF Connector
Phone Jack
DC Power Jack
Wireless Module
Others
OEM
Recruiting
New Products
Download
News
Contact Us
Language
中文
English
Home
Straight Type
Home
Products
Switch
Tact Switch
Straight Type
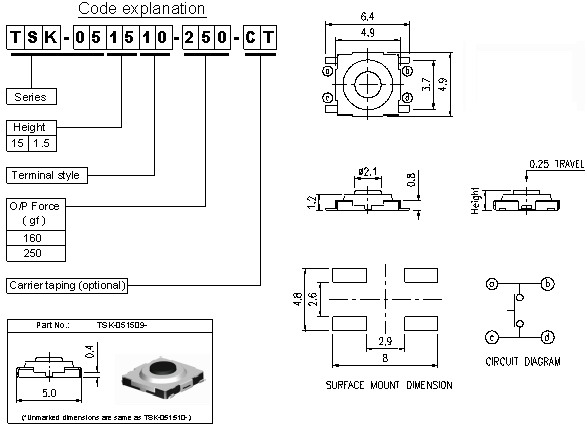
TTSK-051509
Code
TTSK-051509
CTR
881
Add to inquiry
Add to inquiry
TTSK-051509
Continue Inquiry
Go to Inquiry