About Us
Company Profile
Group Members
Company Location
Products
Antenna
Switch
Cable
RF Connector
Phone Jack
DC Power Jack
Wireless Module
Others
OEM
Recruiting
New Products
Download
News
Contact Us
Language
中文
English
Home
Straight Type
Home
Products
Switch
Tact Switch
Straight Type
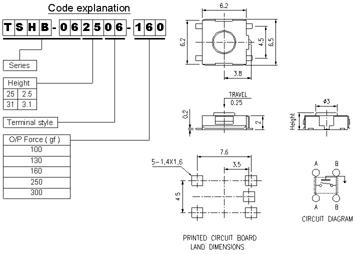
TTSHB-063106
Code
TTSHB-063106
CTR
916
Add to inquiry
Add to inquiry
TTSHB-063106
Continue Inquiry
Go to Inquiry