About Us
Company Profile
Group Members
Company Location
Products
Antenna
Switch
Cable
RF Connector
Phone Jack
DC Power Jack
Wireless Module
Others
OEM
Recruiting
New Products
Download
News
Contact Us
Language
中文
English
Home
Horizontal Type
Home
Products
Switch
Tact Switch
Horizontal Type
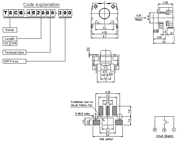
TTSCB-452009
Code
TTSCB-452009
CTR
1355
Add to inquiry
Add to inquiry
TTSCB-452009
Continue Inquiry
Go to Inquiry