About Us
Company Profile
Group Members
Company Location
Products
Antenna
Switch
Cable
RF Connector
Phone Jack
DC Power Jack
Wireless Module
Others
OEM
Recruiting
New Products
Download
News
Contact Us
Language
中文
English
Home
3.5 mm
Home
Products
Phone Jack
3.5 mm
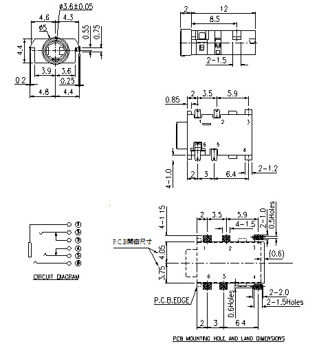
TPJES-042
Code
TPJES-042
CTR
1372
Add to inquiry
Add to inquiry
TPJES-042
Continue Inquiry
Go to Inquiry