About Us
Company Profile
Group Members
Company Location
Products
Antenna
Switch
Cable
RF Connector
Phone Jack
DC Power Jack
Wireless Module
Others
OEM
Recruiting
New Products
Download
News
Contact Us
Language
中文
English
Home
SMD TYPE
Home
Products
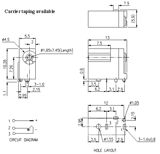
DC Power Jack
SMD TYPE
TDCJ-19
Code
TDCJ-19
CTR
903
Add to inquiry
Add to inquiry
TDCJ-19
Continue Inquiry
Go to Inquiry