About Us
Company Profile
Group Members
Company Location
Products
Antenna
Switch
Cable
RF Connector
Phone Jack
DC Power Jack
Wireless Module
Others
OEM
Recruiting
New Products
Download
News
Contact Us
Language
中文
English
Home
UHF
Home
Products
Antenna
UHF
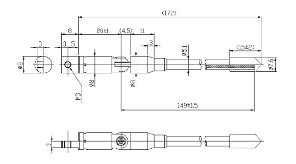
T03131A0C0
Code
T03131A0C0
CTR
1482
Add to inquiry
產品編號 : (Model No)
T03131A0C0
產品名稱 : (Product Name)
ANTPB-131A0
頻
率 : (Frequency)
429±15 MHz
阻
抗 : (Impedence)
50Ω
駐 波 比 : (VSWR)
< 2.0
增
益 : (GAIN)
2.14 dBi
Add to inquiry
T03131A0C0
Continue Inquiry
Go to Inquiry